my translation of:
(old dead link, not working: http://home.highway.ne.jp/teddy/tubes/tips/b410.htm)
Part 1:
(new current link for original article)
http://www.op316.com/tubes/tips/b410.htm
(article by Tetsu Kimura (RIP))
41. ground circuits part 1
send and return:
When describing a circuit, one often says to "ground" something. So what happens to the signal or current that was grounded? Does the signal or current become connected to ground then just disappear? Of course not. The signal or current that was grounded always returns where it should. The signal or current never forgets where it's supposed to return to. Far short of forgetting, it tries to return to it's source without any particular consideration for where it's flowing. You could say that there is a complicated network of different currents flowing to and fro beyond the various "ground" signals on a schematic. There is always a send and return for signals and currents, and it's just a matter of the return path having travelled through the ground line.
"grounding is hard":
is something that people often say. The reason for this happens when the various send and return paths are not given due consideration and the grounding is done in a random haphazard manner resulting in a current flowing where it shouldn't be thus having a signal show up where it should not be. On a circuit diagram, one can deal with the grounding by simply drawing "ground" symbols and not do anything beyond that, however care must be taken during the actual assembly. As long as the send and return paths are considered when creating the grounding scheme, and the grounds are wired such that no currents flow where they should not, the builder will experience no problems. It is not that grounding is difficult insomuch as builders not understanding the send and return paths of the various signals and currents in the amp.
Circuit paths not shown in the schematic:
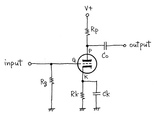
Suppose a one stage amplification circuit as shown below (plate follower, cathode biased). Normally, we are in the habit of thinking that the input signal that goes into the grid is amplified by the triode and shows up at the plate. (diagram 1)
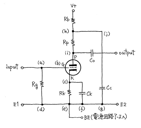
If we want to consider the grounding, this is obviously not enough. If we go further, we end up w/diagram 2.
The signal applied to the input travels the path of:
(input)-(a)-(Rg)-(d)-(E1).
The voltage across Rg is applied across (b)-(f), however since the presence of Ck puts (f) and (c) at the same potential in terms of AC, the input signal voltage is applied between (b)-(c). So the signal current path travels along (input)-(a)-(Rg)-(d)-(E1).
As you should be aware, when the signal voltage is applied between (b)-(c) IOW between G-K, the plate current changes as the input voltage changes. The DC component of the current flowing through the plate travels the path of:
(B+)-(h)-(Rp)-(i)-P(triode)K-(c)-(Rk)-(e)-(BE)
When there is no signal present, this is the only current path that flows through the plate.
However, when an AC signal is applied between G-K, this AC component tries to travel the path of
(B+)-(h)-(Rp)-(i)-P(triode)K-(c)-(Rk)-(e)-(BE), but since Rk is shorted AC-wise by Ck, the AC component tries to travel through Ck and not Rk. Also, since (h)-(g)is shorted by Cc, the AC component does not travel towards B+ but through (h)-(j)-(Cc)-(g)-(f), so therefore the AC component of the plate current forms a loop of:
(i)-(Rp)-(h)-(j)-(Cc)-(g)-(f)-(Ck)-(c)
Since the input voltage amplified as the output AC current develops a voltage across Rp, the loop to tap into to obtain the AC voltage is:
(i)-(Co)-(output)-(E2)-(g)-(f)-(Ck)-(c)
To summarize:
-the input signal voltage loop: (input)-(a)-(Rg)-(d)-(E1)
-the DC component of the plate current: (B+)-(h)-(Rp)-(i)-P(triode)K-(c)-(Rk)-(e)-(BE)
-the AC component of the plate current: (i)-(Rp)-(h)-(j)-(Cc)-(g)-(f)-(Ck)-(c)
-the output signal voltage loop: (i)-(Co)-(output)-(E2)-(g)-(f)-(Ck)-(c)
The key is to wire the grounds such that these four loops don't interfere with each other as much as possible. When the grounding is incorrect, the loops end up interfering w/ea. other leading to the impression that grounding is complicated. Now let's redraw the circuit as follows.(figure3)
Notice that in the diagram(fig.3) no current flows between (d)-(e) and (e)-(f). This is the true nature of ground. No currents flow in the ground, or you could say that the builder should not allow currents to flow in the ground (by mis-wiring, or incorrect grounding).
-------------------------------------------------------------------------------------------------
De-coupling capacitors
What exactly is the purpose of Cc, the de-coupling capacitor? Removing ripple from the power supply? No. The purpose of the de-coupling capacitor Cc is to complete the AC plate (signal) current loop in fig.3 which travels from (i)-(h)-(j)-(f)-(c). 100% of the AC signal current flows through this capacitor. Without it, the amplification circuit is not complete.
Viewed this way, it can be seen that the primary purpose of Cc is not for bypassing from B+ to ground, but to connect the upper end of (Rp), the plate load resistor and K, the cathode. If the value of Cc is small, the low frequency response is restricted. If the quality of the cap is poor, it can have an effect on the sound. Remember that all of the plate signal current travels through the de-coupling cap Cc.
When the de-coupling cap is installed, it must be wired so that it directly connects in a short as distance as possible from a point close to the top of the plate load resistor to the ground point for Ck(the cathode bypass cap), point (f). Routing to say a multi-cap far towards the power supply, for example, would be out of the question. [note: under empirical observation of actual gtr. amp layouts it seems this practice doesn't have to be followed as stringently, but may possibly be different for very high gain situations. -Dai]
There are some builders who after experiencing hum increase the capacitance value of the de-coupling cap, however usually this has no hum-decreasing effect. The ripple (AC) component in the power supply should already have been adequately removed at a point far upstream in the power supply. Most cases of hum do not result from too much ripple in the power supply but from the ripple traveling through some place it should not be.
Where to connect the power supply:
In order for an amplification circuit to function, it needs power to be supplied. Where then, should the power supply be connected? The answer lies in fig.3. The positive end of the power supply should be connected to Rp (the plate resistor). The negative side of the power supply should be connected to (e) near Rk (the cathode resistor) and not (d) or (f).
Moreover, the power supplied to this point must already have had adequate removal of AC ripple. The reason being that if a high amount of ripple still remained when connected to these points, the ripple component would travel through (B+)-(h)-(j)-(Cc)-(f)-(e)-(BE) forming a loop which coincides with the AC plate current loop making a problem. If the AC ripple current was large, this would cause a voltage difference between (e)-(f) resulting in hum at the amp output. (Another problem would be) if the de-coupling cap Cc, instead of being connected to (f), was connected proximate to (d); the voltage difference that resulted would result in a large hum at the output, leading to a possible situation of surprise and panic by the builder from encountering a sudden obtrusive unwanted hum. So in such a scenario, instead of blindly increasing the de-coupling capacitor value, the builder should think carefully about the loops and adjust the wiring accordingly.
--------------------------------------------------------------------------------------------------
(old: http://home.highway.ne.jp/teddy/tubes/tips/b420.htm)
http://www.op316.com/tubes/tips/b420.htm
Part 2:
42.Ground circuits part 2
Stereo circuits and grounding
Let's look at fig.3 from part 1. Fig.3 is in monoaural configuration.
What should be done when the circuit is a stereo configured circuit? Should the grounds be separate for left and right, or should they be shared? The first problem the builder encounters is how best to ground near the input circuit. Take a look at fig.5 below.
Say an amp output was connected to a stereo configured input stage using the circuit shown in fig.3 for the left and right sides. The previous amp's output has separate L-CH and R-CH outputs, so when connecting these outputs to our input stage (using the fig.3 in stereo circuit) the grounds are split into two before reaching the input stage. The separate ground paths are (a)-(b)-(c) and (a)-(d)-(c).
So we encounter a very incongruous situation. What was previously a single ground has now been split into two. In part 1, it was written that a signal has a send and a return. Now, is the L-CH return path (c)-(b)-(a)? Yes, but this isn't the only path you see is it? The L-CH signal return also travels through (c)-(d)-(a). Likewise for the R-CH signal. Weird, isn't it?
This is a problem inherent to unbalanced circuits, and however incongruous it feels, one can only do but tolerate this condition. To correct this condition (where the left and right channel share the ground), the circuit would have to be made into a balanced circuit so the signal send and return and ground can be separated--that is the only way to correct the condition where both left and right signal return paths are mixed together through a shared ground. In an unbalanced circuit the left and right channels must share a common ground. Therefore, (the return paths for the left and right signal outputs) must be tied together at (c). (However, the situation differs significantly for a mono configured amp.)
Furthermore, the parts of the ground line (a)-(b)-(c)-(d) form a physical loop. If (in a situation such as this) the magnetic flux lines from the power transformer intersect with this loop, the loop (since it is a loop) acts as a coil and this can result in hum induction from the ground line itself (through induction). (The hum induced here is proportional to the loop area.) Therefore, the two cables must be kept as close to each other as possible. They can pick up hum (have hum induced on them) just by physically separating them and making a loop. The primary principle is not to create a loop with the ground line. If this cannot be avoided, try to keep the loop as small as possible.
------------------------------------------------------------------------------------------------
The return circuits for the power supply:
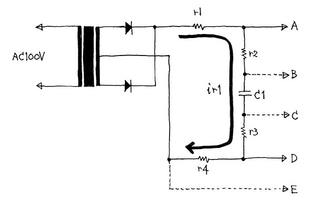
Now let's think about the send and return path for the currents in the power supply. Take a look at fig.6.
The AC coming from the power transformer goes through a rectification circuit (in this case a half-wave rectifier using one diode) into C1 which is part of the first ripple filter. C1 experiences a significantly large amount of ripple current. This ripple current travels through the loop of:
(a)-(b)-(C1)-(e)-(f)
Next, it travels through ripple filter Rf and C2. The residual ripple that was left after going through C1 is bypassed to ground here, so C2 also experiences a large amount of ripple current. This ripple current path travels through:
(b)-(c)-(C2)-(d)-(e)
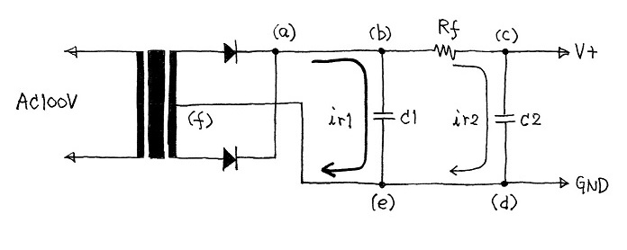
In order to effect ripple removal most efficiently from this two stage ripple removing circuit, how should things be wired? C1 and C2 serve to remove ripple by shorting the AC ripple to ground. And since resistance exists in wiring (although it is very small), a voltage drop takes place between (C1)-(e) and (e)-(f). Therefore, re-drawing fig.6 into fig.7 and wiring as shown in fig.7 makes for the most effective ripple removal.
The portions of the capacitor leads closest to the body is the place where there is the least ripple. As one moves further and further away from this point due to the resistance of the leads, one will find more ripple. There is in fact a difference even along the points of the same lead. Copper wiring used for building amps typically has a resistance of 30 to 150 milliohms per meter. Therefore, that makes for approximately 3 to 15 milliohms for a 10cm length of wiring, and if 100 milliamps of ripple current travels through this line, an AC voltage drop of 0.3 millivolts to 1.5 millivolts takes place. In a ripple filter circuit, although (d),(e),and (f) may appear to be at the same potential, they are in fact not at the same potential.
In fig.7, the immediate ends of C2 experiences the least ripple, so that is the point where the power should be supplied to the amplifier circuits. The ground points further upstream of (d),(e),and (f) are being made unstable by the ripple voltage, and are therefore not suitable to be considered reference points. The correct points from which to supply the power to the rest of the circuit are (B+) and (BE). Looked at in this way, one can see how problematic it can be to star all ground points to a power supply capacitor ground. Such a practice is a vestige of the radio era, where a single multi-cap sufficed for the entire circuit, and is not suitable for a modern high fidelity stereo amp.
------------------------------------------------------------------------------------------------
Summary:
The previous points are summarized as follows in fig.8.
1) The points where both channels' Rks (cathode Rs) and Ccs (de-coupling caps) are grounded should be shared and be made short and w/thick wiring.
2) Individual Ccs should be used for each channel. Do not use a single Cc for both channels.
3) At the point of C2, residual ripple should be well removed.
4) Do not use the ground line from C2 towards the PT for ground points
These are the main considerations. These basic ideas should help prevent hum due to incorrect grounding as well as decrease L/R ch. crosstalk and help to improve other amp specs as well.
As can be seen, deciding how to place grounds and run them can be quite complicated, so the method of placing a main bus line in the center of the circuit is often used. However, even if a super thick low resistance buss is used, if the order of grounds are incorrect, or if a large amount of residual ripple is flowing at a particular ground point, or a ground loop is created, there can still be problems with this method.
Also, a single star grounding method, which tries to do away with getting the order for the ground points correct by bringing all ground points to a single point exists, but it is not physically possible to place all grounds in one spot. If all ground points are placed in one location, this means that very large ripple current points and highly sensitive ground points all share the same location. Some ground points are better placed at one point, but some should not be.
The bus grounding method, and the star grounding method are just different styles of ground placement. Far more important is to understand the mechanisms involved in grounding. When the mechanisms are understood, one does not have to blindly follow a buss or star configuration.
----------------------------------------------------------------------------------------------
(old: http://home.highway.ne.jp/teddy/tubes/tips/b430.htm)
Part 3:
http://www.op316.com/tubes/tips/b430.htm
43.Grounding Part 3
Grounding in a two-stage power amp:
How should the grounding be carried out in a two-stage (or more) amp? We look at an expounded version of fig.3 mentioned previously as a two-stage single-ended amp.
fig.9
The various signal and DC current loops are as follows:
1) input signal loop: (input)-(a)-(Rg1)-(d)-(E1)
2) DC component of the first stage's plate current loop: (B+)-(Rb1)-(Rp)-(triode)-(Rk1)-(BE?)
3) AC component of the first stage's plate current loop: (i)-(h)-(j)-(f)-(c)
4) first stage output and second stage input loop: (i)-(k)-(m)-(f)
5) DC component of the 2nd(output) stage's plate current loopB+)-(Rb2)-(OPT)-(triode)-(Rk2)-(BE?)
6) AC component of output stage's plate current loop: (p)-(OPT)-(q)-(o)-(l)
7) output stage signal output loop: (r)-(SP)-(s)
The most vexing question is how to deal with 2) and 5). The B+ is supplied separately to the two stags, so that can be left as is, but where should BE, the return to the power supply be taken from? The return point to the power supply for the first stage is at (e), while for the output stage it is at (n). However if a return path to the power supply ground from both points is taken, a ground loop is created.
Accordingly we make a compromise. In general current flows are higher towards the output stage, therefore we do not want the high return current from (l) to (n) to BE flowing through other parts of the ground line (where this higher current flow could disrupt other lower current returns). So the return to the power supply is taken from (n). On the other hand, we close our eyes to the current from the input stage cathode flowing from (c) to (e) back to BE flowing through (f), (m), and (n). In such case, the points between (e) and (n) are made as short as possible to keep the voltage difference arising (from the current flow) insignificant enough to be ignored.
Of particular note is how to deal with loops 3) and 6). These signal loops are independantly completed at their respective stages, so the de-coupling caps connecting the power supply and ground need to be made as direct as possible (at respective points (f) and (o)) while being sure not to introduce the AC running through these caps somewhere they should not be.
Along the ground line, the points between (d)-(e), (e)-(f), (m)-(n), (n)-(o), and (o)-(s) are points where current should not flow and the purpose of being a reference point is utmost. By making the aforementioned compromise, a tiny amount of the 1st stage's plate current flows between (e)-(n), however, as long as the de-coupling caps Cc1 and Cc2 are correctly placed, this should not pose a problem.
--------------------------------------------------------------------------------------------------
When applying feedback:
What should be done when feedback is taken from the OT secondary and applied to the first stage's cathode? The answer is simple. Do as shown in fig.10.
fig.10
Feedback is a sort of signal(AC) loop (see 8 ) below), so it should be wired to not share a path it should not in the ground line and isn't sharing a path with other loops. "Feedback should be grounded on the side that it is returned to" is the principle. Therefore the feedback ground at (y) should be grounded back at the cathode at (x). And ideally, (v) to (w) and (y) to (x) should be run alongside ea. other and twisted to keep the loop isolated from external signals. It is very difficult to deal with noise introduced via this loop after the fact.
8 ) the feedback loop: (v)-(RNF)-(w)-(Rk0)-(x)-(y)
Extra attention must be paid in cases such as a DC amp using solid state devices, or tube amps where the OT secondary is used to return fdbk. to the cathode[?] since this sort of grounding is difficult. However the principle of returning feedback to the side that it is returned to remains the same.
--------------------------------------------------------------------------------------------------
Where to make the ground line connection to the chassis
For the previous info applied to a stereo configuration, the left and right side grounds are shared as described in part 2, and the grounding scheme is (almost) complete. Finally, we decide where to connect the ground line to the chassis. The conditions are as follows.
1) a location where the voltage difference from the input ground is small
2) a location where 1) is true and also has a small potential difference from the output ground
So, such a place within fig.10 would be from point (E1) to (x). Point (y) is not much different. Generally it would be (E1) or (x). If the grounding configuration is correctly organized and wayward currents aren't flowing where they should not be, no difference in performance should be experienced using any of the above points.
If all of the previous still was not enough...and you still have hum.
If the grounds are configured correctly, it's not altogether impossible to have an integrated (pre plus power) amp with a residual hum level of 0.1mV. However, if you still have hum you may have a very low level sensitive signal path crossing somewhere with the leakage flux from the power transformer, or be having the tube itself pick up hum from the heaters, or perhaps the design of the ripple filter was inadequate, and so on which should lead to the suspicion of a cause other than the grounding configuration (since if you followed the advice the grounding scheme should be correct and not be causing the hum problem).
----------------------------------------------------------------------------------
Dai
