Heathkit w6

General discussion area for tube amps.

Moderators: pompeiisneaks, Colossal

Post Reply
User avatar
jon
Posts: 566
Joined: Fri Feb 24, 2006 6:45 pm
Location: North East

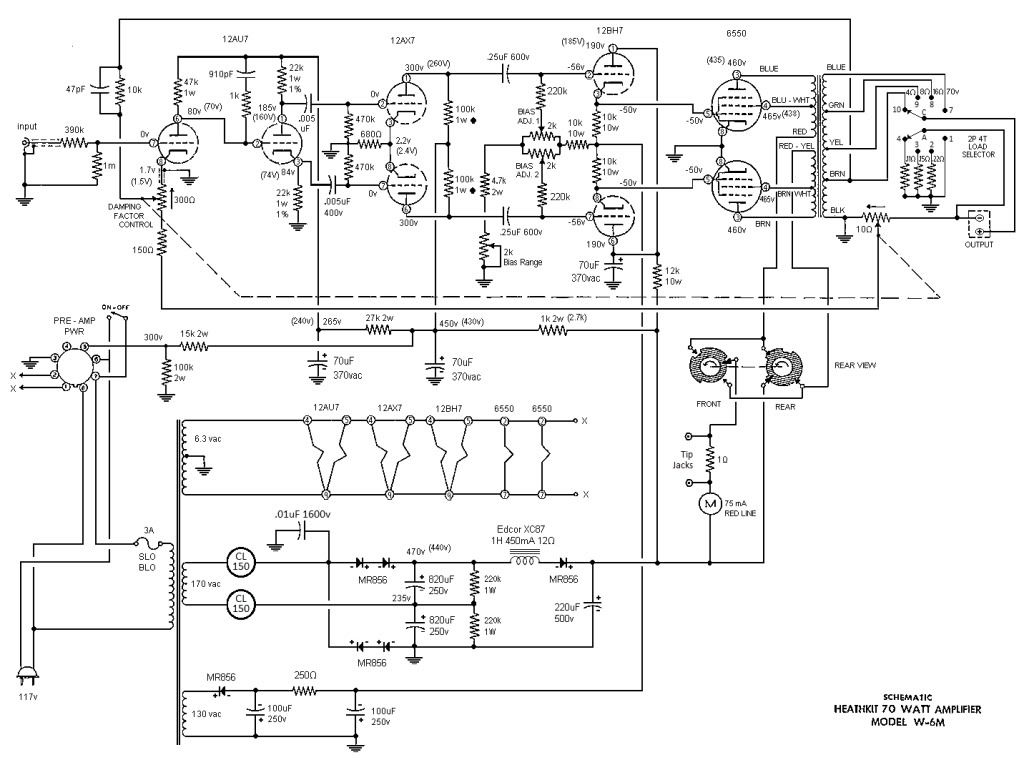
Heathkit w6

Post by jon »

Thinking about building a heathkit w6 anybody have any experience with them?
User avatar
Structo
Posts: 15446
Joined: Wed Oct 17, 2007 1:01 am
Location: Oregon

Re: Heathkit w6

Post by Structo »

Tom

Don't let that smoke out!
User avatar
JazzGuitarGimp
Posts: 2357
Joined: Mon Jul 23, 2012 4:54 pm
Location: Northern CA

Re: Heathkit w6

Post by JazzGuitarGimp »

This amp has some very interesting features, like the damping control and the way the bias is implemented. Would I be correct in assuming this is a hifi amp (the low-gain 12AU7 pre makes me suspicious)?
Lou Rossi Designs
Printed Circuit Design & Layout,
and Schematic Capture
User avatar
jon
Posts: 566
Joined: Fri Feb 24, 2006 6:45 pm
Location: North East

Re: Heathkit w6

Post by jon »

Thought of running a Princeton reverb front end on it. Only thing that scares me a little is the dual pot for the dampening. Might change the first triode to std bias.
Post Reply