SSS - Nukular Warhead - Chassis are Finished
Moderators: pompeiisneaks, Colossal
Re: SSS - Nukular Warhead - Chassis are Finished
Thanks for starting the work on this one for us 
Re: SSS - Nukular Warhead - Chassis are Finished
Does anyone know if there's an input cap for the PI after the Step Filters and if so what the value might be, or do the filters act as a variable input cap?
-
FuzzFaceBuilder
- Posts: 137
- Joined: Wed Mar 26, 2008 8:22 am
- Location: Honolulu, HI
Re: SSS - Nukular Warhead - Chassis are Finished
Hey all,
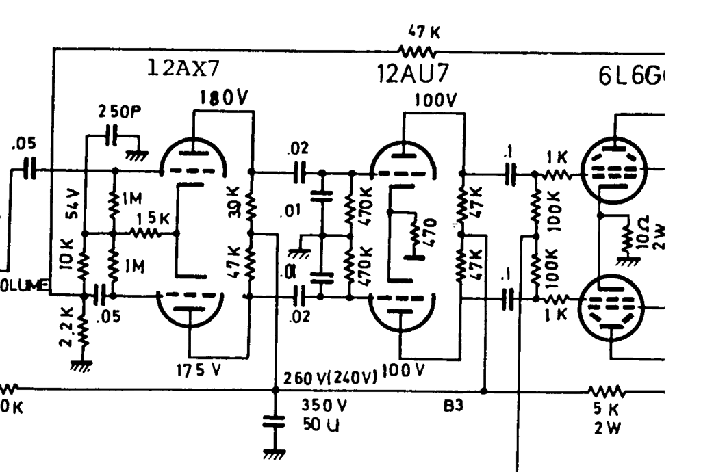
I saved this schematic of a post PI CF that I found here. Can someone tell me where/what amp this is from originally? I feel like it's from a Super Twin Reverb, but not totally sure.
[IMG
690]http://i255.photobucket.com/albums/hh15 ... ection.gif[/img]
Thanks,
Hale
I saved this schematic of a post PI CF that I found here. Can someone tell me where/what amp this is from originally? I feel like it's from a Super Twin Reverb, but not totally sure.
[IMG
Thanks,
Hale
-
markr14850
- Posts: 204
- Joined: Mon Jun 18, 2007 6:16 pm
Re: SSS - Nukular Warhead - Chassis are Finished
That doesn't look like cathode followers after the PI. At first glance it looks like a pair of standard grounded cathode stages. However, they share an un-bypassed cathode resistor, so there must be some interaction across them. I wonder if this arrangement provides better balance?schematic of a post PI CF
In any case, there are coupling caps before the output stage, so it is still subject to blocking distortion.
-
FuzzFaceBuilder
- Posts: 137
- Joined: Wed Mar 26, 2008 8:22 am
- Location: Honolulu, HI
Re: SSS - Nukular Warhead - Chassis are Finished
Mark,
Thanks for explaining that! I'm still quite GREEN
when it comes to identifying these things.
Take care,
Hale
Thanks for explaining that! I'm still quite GREEN
Take care,
Hale
markr14850 wrote: That doesn't look like cathode followers after the PI. At first glance it looks like a pair of standard grounded cathode stages. However, they share an un-bypassed cathode resistor, so there must be some interaction across them. I wonder if this arrangement provides better balance?
In any case, there are coupling caps before the output stage, so it is still subject to blocking distortion.
Re: SSS - Nukular Warhead - Chassis are Finished
Super twin is different. Second tube drives the output tubes from the cathode.
BTW I did a ODS conversion to a Super Twin and preserved the Fender PI and everything downstream from there. It sounds great.
BTW I did a ODS conversion to a Super Twin and preserved the Fender PI and everything downstream from there. It sounds great.
You do not have the required permissions to view the files attached to this post.
- RJ Guitars
- Posts: 2663
- Joined: Tue Nov 14, 2006 3:49 am
- Location: Los Alamos, New Mexico
- Contact:
SSS - Progress Report - Spring 2009
It's been a long time in the works, but I've finally started rolling on this project a little bit at a time... sorry about the poor photo quality.
I've drilled out the chassis for the front and rear plates, drilled out the tube socket holes, and I've got blank circuit boards mounted in there.
I have an idea of what to do on the standard preamp... basically I plan to borrow from the ODS technology. Does anybody know more or differently?
I have no ideas on the FET preamp - I've never messed with them? Any info on that topic?
Thanks in advance for any help that you can bring to this project.
rj
I've drilled out the chassis for the front and rear plates, drilled out the tube socket holes, and I've got blank circuit boards mounted in there.
I have an idea of what to do on the standard preamp... basically I plan to borrow from the ODS technology. Does anybody know more or differently?
I have no ideas on the FET preamp - I've never messed with them? Any info on that topic?
Thanks in advance for any help that you can bring to this project.
rj
You do not have the required permissions to view the files attached to this post.
Good, Fast, or Cheap -- Pick two...
http://www.rjguitars.net
http://www.rjaudioresearch.com/
http://diyguitaramps.prophpbb.com/
http://www.rjguitars.net
http://www.rjaudioresearch.com/
http://diyguitaramps.prophpbb.com/
Re: SSS - Progress Report - Spring 2009
The black and white one is based on ODS photos, perhaps from #160 or so onward.RJ Guitars wrote:
I have no ideas on the FET preamp - I've never messed with them? Any info on that topic?
Thanks in advance for any help that you can bring to this project.
rj
The light yellow one is from #124. The circuit is the same on both, but the layout is a little different (trimmer type, tantalum vs electrolytic caps etc.) Some of the fixed resistor values are a little different also.
I suspect one of these was probably used in the SSS.
You do not have the required permissions to view the files attached to this post.
Re: SSS - Nukular Warhead - Chassis are Finished
Are they really "different"? I can see that the traces vary but, at first (second and third) glances, I could believe that the holes are in the same places. Is it the layout that varies or just the component selection?
Re: SSS - Nukular Warhead - Chassis are Finished
in regards to that CF, I have used the version expounded by o'conner (similar but different), and it sounds great in these amps. Note I have not experimented with too many versions of the PI-CF...Probably the best way to go if you want to keep the parts count down and not do the mass tube svt style.
As an FYI that style of PI-CF works great in bass amps as well. Not entirely convinced its needed in guitar amps, but it does help keep the current draw constant, and as a result reduces PI/power distortion, which is the goal in a clean style build.
As an FYI that style of PI-CF works great in bass amps as well. Not entirely convinced its needed in guitar amps, but it does help keep the current draw constant, and as a result reduces PI/power distortion, which is the goal in a clean style build.
it really is a journey, and you just cant farm out the battle wounds
Re: SSS - Nukular Warhead - Chassis are Finished
The pictures they come from have some different component types and values and the board shapes appear from the pictures to be a little different. For example he gave the resistor on the far right more room on the later board, (no need for a plastic nut?)Zippy wrote:Are they really "different"? I can see that the traces vary but, at first (second and third) glances, I could believe that the holes are in the same places. Is it the layout that varies or just the component selection?
The traces probably look very similar because the real #124 board is opaque! So I just copied the traces from the other one (which is translucent). The holes position on both are based on overlaying the actual pictures over the diagrams.
The picture shows an ODS FET board greater than #160 on the left and the #124 FET board on the right.
You do not have the required permissions to view the files attached to this post.
-
txbluesboy
- Posts: 387
- Joined: Mon Apr 02, 2007 3:52 pm
- Location: Dallas area
- Contact:
Re: SSS - Nukular Warhead - Chassis are Finished
I've been forging ahead blindly on my Soul String Singer also. I'm building a 4-6v6 version. The preamp is basically an ODS non HRM, with relays that in normal (clean) mode, sends the clean signal through a one tube reverb, then when you hit OD, it removes the reverb and inserts the overdrive section in its place. I'm using a Prosonic OT, and a West Labs 30 watt Matchless PT. Here are some pics of my progress. Terry [im[IMG:800:600]http://i143.photobucket.com/albums/r160 ... ger007.jpg[/img]g][/img][im[IMG:800:600]http://i143.photobucket.com/albums/r160 ... ger005.jpg[/img]g][im[IMG:800:600]http://i143.photobucket.com/albums/r160 ... ger008.jpg[/img]g][/img][i[IMG:800:600]http://i143.photobucket.com/albums/r160 ... ger002.jpg[/img]mg][/img]
Last edited by txbluesboy on Thu Apr 09, 2009 11:11 pm, edited 4 times in total.
Re: SSS - Nukular Warhead - Chassis are Finished
Thank you.ic-racer wrote:The pictures they come from have some different component types and values and the board shapes appear from the pictures to be a little different. For example he gave the resistor on the far right more room on the later board, (no need for a plastic nut?)...Zippy wrote:Are they really "different"? I can see that the traces vary but, at first (second and third) glances, I could believe that the holes are in the same places. Is it the layout that varies or just the component selection?
Re: SSS - Nukular Warhead - Chassis are Finished
What circuit are you going to use for the Rotary switch HIGH & LOW Filters?
-
Chrome Dinette
- Posts: 14
- Joined: Tue Jan 30, 2007 1:22 am
Re: SSS - Nukular Warhead - Chassis are Finished
[/quote]
The ones I have been in and the ones I have seen shots of all used 6 position rotary switches ala gibson varitone, as far as i know an 11 position rotary switch does not/has never exist(ed).[/quote]
I have been lurking here for a while, but this seems as good a place as any to jump in.
I have an old function generator in my basement with an eleven position switch, so it is possible.
Also, there is a currently available rotary switch that comes with a washer with a tab sticking out. The tab goes into slots around the switch, stopping it from turning, allowing you to have the switch be anywhere from 2 to 12 positions. I can't remember who makes it, but I think Mouser or Jameco has them.
I have been curious about these amps for years. I like Henry Kaisers playing a lot and while he sometimes uses a lot of effects, there is a unique quality to his cleaner tones that I might attribute to the SSS.
The ones I have been in and the ones I have seen shots of all used 6 position rotary switches ala gibson varitone, as far as i know an 11 position rotary switch does not/has never exist(ed).[/quote]
I have been lurking here for a while, but this seems as good a place as any to jump in.
I have an old function generator in my basement with an eleven position switch, so it is possible.
Also, there is a currently available rotary switch that comes with a washer with a tab sticking out. The tab goes into slots around the switch, stopping it from turning, allowing you to have the switch be anywhere from 2 to 12 positions. I can't remember who makes it, but I think Mouser or Jameco has them.
I have been curious about these amps for years. I like Henry Kaisers playing a lot and while he sometimes uses a lot of effects, there is a unique quality to his cleaner tones that I might attribute to the SSS.