ISO Cabs?

Discussion of Speakers, Cabinets and Cabinet Building

Moderators: pompeiisneaks, Colossal

Post Reply
zozoe
Posts: 249
Joined: Tue Dec 10, 2019 5:39 am

ISO Cabs?

Post by zozoe »

Hiya,, this path my be a life changer, & the two that caught my eye were the Mojotone 1x12, a Randall & the Jet City. Any good, any one better than the other,,, & truly a solution for apartment recording with a 20w or so amp?

Thanks all!!
10thTx
Posts: 1872
Joined: Sat Dec 30, 2006 1:13 am

Re: ISO Cabs?

Post by 10thTx »

I was in a situation about 8 years ago where several of us were looking at an inexpensive way to maintain a "zero volume" stage & I looked into building an iso-cab.

Ultimately, we ended up doing this & it actually worked out quite well for almost 6 yrs when the band's guitarist went for digital modeling.

Just a thought to consider, not pushing the idea. It was an inexpensive solution. I tried it with home recording directly into my E-Mu preamp to computer.

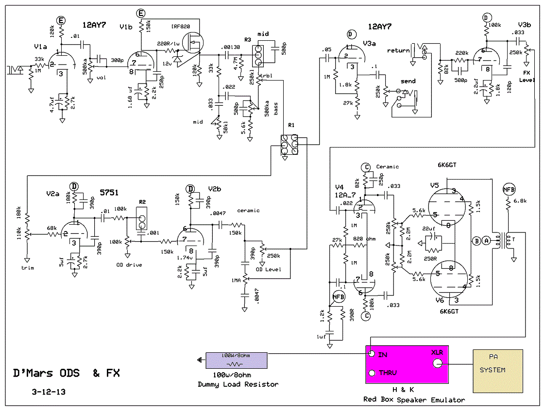
The cost was minimal because it just involved a used H&K Red Box and a dummy load resistor.

with respect, 10thtx

There are a number of demos on YouTube. Here is one: https://www.youtube.com/watch?v=x1rvb5rdUdI

And another one: https://www.youtube.com/watch?v=L2cMtRbvuvU

https://www.youtube.com/watch?v=DsVWCiah1kQ
Attachments
D'Mars ODS & Red Box & Dummy Load.gif
zozoe
Posts: 249
Joined: Tue Dec 10, 2019 5:39 am

Re: ISO Cabs?

Post by zozoe »

Very nice, but I don't have a PC.
10thTx
Posts: 1872
Joined: Sat Dec 30, 2006 1:13 am

Re: ISO Cabs?

Post by 10thTx »

What do you have for your apartment recording? Does the device have a USB port? If so, then there are numerous solid state preamps besides the E-Mu one I use that should work fine.

The reason we didn't use an iso-cab was because of limited space and even using a 10" speaker was going to make the cab substantial in size.

Again, I am not saying you should go this direction, just tossing out one option for your consideration.

With respect, 10thx.
zozoe
Posts: 249
Joined: Tue Dec 10, 2019 5:39 am

Re: ISO Cabs?

Post by zozoe »

Hiya,,, my device will soon be a TASCAM MODEL 16 unit. Thnx
Roe
Posts: 1918
Joined: Thu May 31, 2007 2:10 pm

Re: ISO Cabs?

Post by Roe »

zozoe wrote: Wed Mar 17, 2021 4:04 am Hiya,, this path my be a life changer, & the two that caught my eye were the Mojotone 1x12, a Randall & the Jet City. Any good, any one better than the other,,, & truly a solution for apartment recording with a 20w or so amp?

Thanks all!!
The rivera silent sister seems prefeable due to its labirynth. These days the suhr reactive load ir gets more attention
Last edited by Roe on Mon Nov 14, 2022 7:33 pm, edited 1 time in total.
www.myspace.com/20bonesband
www.myspace.com/prostitutes
Express, Comet 60, Jtm45, jtm50, jmp50, 6g6b, vibroverb, champster, alessandro rottweiler
4x12" w/H75s
10thTx
Posts: 1872
Joined: Sat Dec 30, 2006 1:13 am

Re: ISO Cabs?

Post by 10thTx »

There is an interesting article here that critiques isolation cabinets and mentions the Randall & Jet City iso cabs

https://guitarspeakerguide.com/guitar-i ... ets-boxes/

With respect, 10thtx
User avatar
norburybrook
Posts: 3290
Joined: Mon Jan 06, 2014 12:47 am
Location: London
Contact:

Re: ISO Cabs?

Post by norburybrook »

people are using things like the Suhr reactive load or the UA OX box or the two notes Captor X. I have the Captor-x , works very well

https://youtu.be/8dICnMG2gsM




M
BrownIsound
Posts: 69
Joined: Sat Apr 23, 2022 9:39 pm

Re: ISO Cabs?

Post by BrownIsound »

Does anyone have any experience with an iso”closet”? I’m thinking like a multi purpose small room that could be used as a vocal booth, and house a 4x12 in it.
Synchu
Posts: 523
Joined: Sun Mar 11, 2012 5:24 am

Re: ISO Cabs?

Post by Synchu »

I have one of these - https://studiobricks.com/ - they do whatever size you want and it works very, very well for me.

Niki
bmx
Posts: 42
Joined: Mon Jul 01, 2019 9:40 pm

Re: ISO Cabs?

Post by bmx »

We have closed back cabs and then the have closed AND closed front cabs. I've never been able to wrap my head around how to think about the isolation cab where one side of the speaker doesn't face a large room. Possibly this is a good solution. Essentially a speaker mounted on a board in a closed box. Who knows how to calculate this response? The tones are quite good however and sometimes the lowest tech/easiest option is the best?

https://www.youtube.com/watch?v=acAwsNM127I
Post Reply